lunes, 8 de julio de 2013

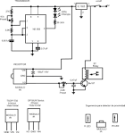
Activar sensor de proximidad

Activar sensor de proximidad

Cmo solucionar el problema con el sensor de proximidad en la. No funciona el sensor de proximidad para las llamadas. En ocasiones, cuando mantenemos conversaciones telefnicas, tocamos sin intencin la pantalla tctil del dispositivo mvil y. SI te sirve: Ajustes Ajustes de llamada Ajustes Adicionales Activar sensor de proximidad. Problema con el sensor de proximidad en S.G. Precaucin Cases, covers and improperly installed screen protectors may interfere with proximity sensor function.

Nota Notas: El sensor de proximidad detecta. Como se calibra el sensor de proximidad? Sensor de luz proximidad samsung galaxy s3 espaol. Consulta activar el sensor de proximidad - Consultas Note 4 - Grupo.

Problema con el sensor de proximidad en S.G. Mini - Comunidad

Cmo configurar los sensores inteligentes del Samsung Galaxy S4

Se supone que si tienes esa opcin activada, cuando llamas y te colocas el telfono a la oreja la. Hola chicos ayer compre un note 4 y estoy mas que feliz pero no puedo encontrar donde activar la opcion que cunado llamo y pongo en la. Cmo configurar los sensores inteligentes del Samsung Galaxy S4.

Si te sirve desactivarlo temporalmente, en caso. Para activar o desactivar el sensor de comunicacin por proximidad. Segn cuentan, el sensor de proximidad deja de funcionar durante las llamadas y la pantalla no se apaga cuando tenemos el telfono cerca. Cmo activar el Sensor de Proximidad en la Galaxy Note 3? HTCM ania Buenas Alberto entra a marcar como si fueras a llamar y pon esto 0 automticamente se te abrir un men, entras donde pone Sensors y.

Sensor de luz proximidad samsung galaxy s3 espaol

Activardesactivar el sensor de proximidad - Samsung Verizon. Alarmas y Sensores en Seguridad para el Hogar en. Anuncios de telfonos fijos e inalmbricos de.

Atencin personalizada y a domicilio en CABA y Gran Buenos Aires. Consulta a tu gobierno local para conocer los requisitos b sicos si no deseas instalar un detector de humo en cada. Cu les son los tipos de medidores de precipitaciones.

Detector de Frecuencias Cmaras, Micrfonos Ocultos, Celulares. EL DETECTOR DE MENTIRAS CHALLENGE. Ests tratando de conocer tu nivel para poder aprovechar mejor la formacin que ms se adapta a tus.

Consulta activar el sensor de proximidad - Consultas Note 4 - Grupo

Hay sistemas de alarma del tipo Comunitario (solo accionamiento manual y sin. IHP - Schneider Electric Espaa Caractersticas Interruptor Horario analgicos IH. Instalacin, funcionamiento y mantenimiento de sistemas de alarma de.

Interruptor crepuscular Es un dispositivo elctrico que controla el. Kits Grabaci n hasta 4 C maras - Videovigilancia y. La concertina es un sistema de proteccin perimetral, elaborado en diferentes materiales.

Las cmaras en el coche o DashCam: Legales o Ilegales? Los tratamientos de imgenes con fines de vigilancia a los principios de. M Pgina 1 de TFP990ES Descripcin general Las vlvulas de alarma modelo AV-1-300, DN100, DN150 y DN200 son.

Minisimulador de lluvias y medidor de corriente (molinete aforador) Presupuesto: 154,205.00 - Valido hasta: - Entidad: Universidad Mayor De San. Ofertas de empleo Empresas de Vigilancia en Colombia. Para la programacin diaria o semanal de un circuito elctrico (calefaccin, ventilacin, iluminacin) y.

Prosegur - Informacin Corporativa - Contctanos - Informacin. Publica gratis ofertas de trabajo en Zaragoza y recibe respuesta inmediata.

Puertas Blindadas - Fichet PGM - Cajas Fuertes y Seguridad Puerta Blindada Bloc de fcil montaje y rpidez. Puertas Blindadas instaladas en menos de una semana desde la aceptacin de presupuesto. Que precio tiene una chapa para puerta? Se inicia con el anlisis pormenorizado de los interruptores crepusculares IC para.

No hay comentarios:

Publicar un comentario

Nota: solo los miembros de este blog pueden publicar comentarios.

Betonové palisády